您好,欢迎光临上海环铝工业自动化技术有限公司! 淘宝 1688
服务热线:18918572807
语言选择:

产品中心

PRODUCT CENTER

间隔连接块

  • 间隔连接块
产品分类: 专用连接件
技术参数:
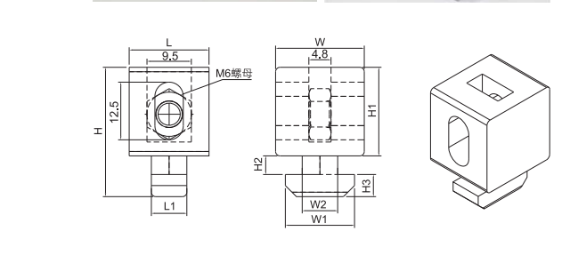
间隔连接块 Multi Block
材料: 塑料 Metarial:PVC
颜色: 黑色、浅灰色、透明色
Color:Black&Light Grey&clarity

用途:将此连接块尾端直接插入型材槽坑内,转动90度后即紧密固定在型材上,然后就可在型材上安装有机玻璃等各种面板,再用螺栓锁紧,安装简洁,拆卸方便。

选型:

订货号 Order No.

30系列

HL-MB6-8-30

40系列

HL-MB6-8-40

45系列

HL-MB6-10 

image.png

image.png

安装图.JPG


上海环铝工业自动化技术有限公司微信扫码 关注我们

  • 24小时咨询热线18918572807

  • 移动电话18918572807

Copyright © 2002-2025 上海环铝工业自动化技术有限公司 版权所有 地址:上海市松江区北松公路6638号A4栋 备案号:沪ICP备18044821号-2 网站地图