您好,欢迎光临上海环铝工业自动化技术有限公司! 淘宝 1688
服务热线:18918572807
语言选择:

产品中心

PRODUCT CENTER

外连接板

  • 外连接板
产品分类: 装配件
技术参数:
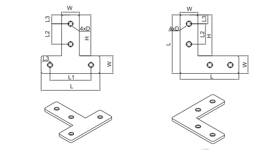
内连接板 Inside Connector Plate
材料: 碳钢(表面镀锌)
Metarial:Galvanized Steel

用途:用于型材切45°角,作90°连接无需作打孔,攻丝等加工,将其置于型材槽坑内锁紧紧顶螺栓即可,安装方便,不影响外观及其安装。

选型:

订货号 Order No.

HL-OPC-L

HL-OPC-T 

image.pngT型安装图.JPG

上海环铝工业自动化技术有限公司微信扫码 关注我们

  • 24小时咨询热线18918572807

  • 移动电话18918572807

Copyright © 2002-2025 上海环铝工业自动化技术有限公司 版权所有 地址:上海市松江区北松公路6638号A4栋 备案号:沪ICP备18044821号-2 网站地图